0
CLOSE
穗寶康床墊館
關於穗寶康
回上一頁
關於穗寶康
每月活動
試躺地點資訊
如何購買
運送資訊
退換貨須知與保固說明
消費者權益說明
隱私權說明
知識+
回上一頁
長照補助懶人包
床墊知識
枕頭知識
寢具知識
檢驗報告
穗寶康床墊
回上一頁
穗好床
穗好枕
保潔墊
嬰兒系列
涼蓆系列
寢具系列
FB美式電動床
回上一頁
所有產品
電動床系列
政府補助款醫療床
客製化床架
電動補給站
客戶分享
回上一頁
部落客分享
商業合作分享
居家使用分享
鄉民推薦分享
聯絡我們
回上一頁
連絡我們
全台經銷點
訂單查詢
活動專區
回上一頁
床墊活動
FB美式電動床活動
珍珠小姐官網
穗寶康蝦皮
會員登入
Copyright © 2017
MIRACLE
送出
購物清單
0
前往結帳
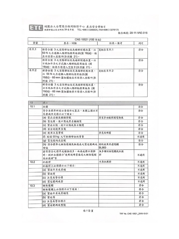
居家電動床檢測報告
首頁
知識+
檢測報告
CNS居家電動床產品安全檢測報告
回上層
電話:
04-2437-0366
傳真:04-2437-0016
免付費電話:
0800-555-229
(週一至週六9:00~18:00)
24小時專線:
+886 912 867 966
地址:
台中市北屯區太和路1段236號
隱私權條款
|
消費者權益
|
退換貨方式流程
採用全球最先進SSL 256bit 傳輸加密機制
建議使用Chrome、Firefox、Safari最新版本瀏覽
Designed by 米洛
網頁設計